Alles aus einer Hand vom Systemanbieter für Schwimmbadtechnik

Als einziger Hersteller bieten wir die gesamte Schwimmbadtechnik aus einer Hand. Von den Beckeneinbauteilen über Wasserspeicher, Pumpen, Filter- und Desinfektionsanlagen, Mess- und Regeltechnik bis hin zu Beleuchtung und Attraktionen. Sie erhalten bei Ospa alle notwendigen Dienstleistungen von A bis Z und haben dabei immer einen festen Ansprechpartner für das gesamte Projekt.

Beratung

Unser Service beginnt lange, bevor überhaupt eine bauliche Maßnahme vorgenommen wird. Welches Nutzungskonzept ist geplant oder vorhanden? Handelt es sich um eine Sanierung oder um einen Neubau? Welche konkreten Wünsche, Anforderungen und Vorgaben haben Sie? Diese Fragen sowie die gesetzlichen Richtlinien wie die Einhaltung der DIN 19643 und weiteren, werden in der ersten Phase und einer Besichtigung der örtlichen Gegebenheiten gemeinsam mit Ihrem Ospa-Fachberater geklärt. Dabei erhalten Sie einen ersten Einblick in die Ospa-Leistungen und die Ospa-Produktwelt.

Planung

In der Planungsphase werden Ihre klaren Vorstellungen mit Produkten und konkreten Umsetzungsmöglichkeiten verknüpft. Sie und Ihr Ospa-Fachberater sitzen gemeinsam mit Architekten und Fachplanern an einem Tisch. Hier werden die Lösungsansätze sowie alle konstruktiv notwendigen Planungen für Schwimmhalle, Becken und Technik besprochen, die erforderliche Technik erörtert, Beleuchtung und Attraktionen für die Badegäste diskutiert, kurz: Ihre Idee macht den ersten Schritt zum tatsächlichen Projekt. Selbstverständlich erhalten Sie am Ende dieser Phase auch ein individuelles Angebot mit allen Komponenten und den voraussichtlich entstehenden Kosten.

Projektierung

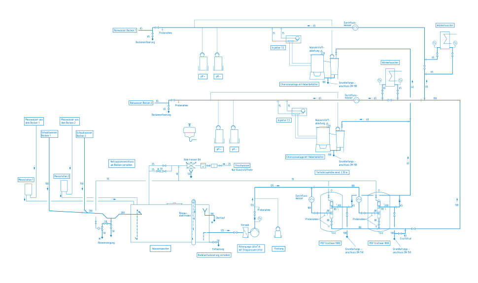
Nachdem der Auftrag erteilt wurde, erarbeitet die Ospa-Planungsabteilung gemeinsam mit den beauftragten Planern und Architekten die optimale Lösung für Ihr Schwimmbad. Dabei werden selbstverständlich alle Richtlinien, Vorschriften und Normen sowie alle notwendigen hydraulischen Gegebenheiten berücksichtigt. Als Ergebnis erhalten Sie Pläne für die Beckenhydraulik, Wasserattraktionen und Beleuchtung, einen Geräteaufstellplan und Sanitär- und Elektroinstallationspläne. Somit steht einer erfolgreichen Installation der Anlage nichts mehr im Wege.

Baustellenberatung

Ihr Projekt wird jetzt gemeinsam mit allen beteiligten Firmen realisiert. Ob nun die passgenaue Positionierung der Anschlüsse oder die Platzierung der Beckeneinbauteile – Ihr Ospa-Fachberater trägt Sorge für eine reibungslose Installation. Er übernimmt die Einweisungen der Installateure anhand der erstellten Pläne, etwa die Einweisung des Elektrikers für den Anschluss der Ospa-Anlage.

Inbetriebnahme

Alle, für die Realisierung notwendigen Baumaßnahmen sind abgeschlossen.
Nachdem Ihr Ospa-Fachberater alle Voraussetzungen für die Inbetriebnahme geprüft hat, werden gemeinsam mit dem Ospa-Werkskundendienst und dem Anlagenbauer die Anlagenkomponenten in Betrieb genommen. Selbstverständlich steht auch nach der Inbetriebnahme der Ospa-Kundendiensttechniker zur Wartung und Instandhaltung Ihrer Anlage zur Verfügung. Für noch mehr Betriebssicherheit bietet Ospa seinen Kunden Wartungsverträge mit festen Wartungsintervallen an.

Service/Werkskundendienst

Seit mehr als 90 Jahren steht für Ospa der Kundenservice an erster Stelle. Nach Fertigstellung und Inbetriebnahme übernimmt der Ospa-Werkskundendienst die Betreuung und regelmäßige Wartung Ihrer Anlage, erhöht ihre Funktionssicherheit sowie Lebensdauer und reduziert den Bedarf an Wasserpflegemitteln.

Unser Servicenetzwerk in Deutschland umfasst über 35 hervorragend geschulte und engagierte Ospa-Werkskundendiensttechniker. Somit werden Sie unmittelbar von Ihrem persönlichen Ospa-Werkskundendiensttechniker betreut, der über ein eigenes Ersatzteillager (mit originalen Ospa-Ersatzteilen) und Ospa-Wasserpflegemittel verfügt. Das bedeutet für Sie: qualifizierter Service ohne lange Wartezeiten. Schließlich steht der Name Ospa nicht nur für spürbar besseres Wasser, sondern auch für einen ausgezeichneten Service.

Schnell und einfach finden, wonach Sie suchen!